Купить Заклепка ГОСТ 12641-80- заклепка полупустотелая с полукруглой головкой в компании МАКОТО ТЮНИНГ (495) 138-28-81
Каталог

Подробнее о товаре Заклепка ГОСТ 12641-80- заклепка полупустотелая с полукруглой головкой

Рассчитать стоимость Заклепка ГОСТ 12641-80- заклепка полупустотелая с полукруглой головкой

Похожие товары

Заклепка ГОСТ 12641-80- заклепка полупустотелая с полукруглой головкой
0

Заклепка ГОСТ 12641-80- заклепка полупустотелая с полукруглой головкой

По запросу

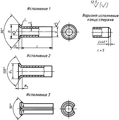
диаметр стержня от 1 до 10 мм





ГОСТ 12641-80 распространяется на полупустотелые заклепки с полукруглой головкой с диаметром стержня от 1 до 10 мм.

Выполняем отверстие в стержне заклепок как сверлением, так и высадкой. Форма дна отверстия не регламентируется.

Для производства заклепок используем различные стали и сплавы: 

  • конструкционная сталь А12, 
  • сплав алюминия Д16Т, 
  • латунь ЛС59

 Данные материалы в наибольшей степени отвечают требованиям, которые предъявлены при изготовлении и эксплуатации данного крепежа. 

Присылайте заявки на расчет стоимости производства на адрес info@m5m7.ru, а также звоните нам по телефону 8(495) 138-28-81. Специалисты компании быстро и четко ответят на ваш запрос и произведут поставку товара, ведь мы заботимся о вашем времени!

Изготовим заклепки, согласно Ваших индивидуальных чертежей. Поставим в любую точку России!


12640-80 чертеж.jpg
12641-80.png