Подробнее о товаре Штуцер с дюймовой резьбой
Рассчитать стоимость Штуцер с дюймовой резьбой
Похожие товары
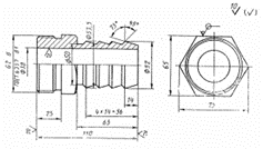
Штуцер с дюймовой резьбой представляет собой втулку с наружной резьбой для крепления трубопровода или запорной арматуры. Резьбовая часть разделена на часть с резьбой левой (для поджимной гайки) и правой для присоединения запорной арматуры на выходе из емкости, дополнительно комплектуется резиновыми прокладками для герметизации. Штуцер может быть установлен в любом месте емкости за исключением ребер и изгибов.
Мы предлагаем вам приобрести крепеж с дюймовой резьбой из нержавеющего металла и латуни. Высокоточное оборудование позволяет изготовить изделия до 6 дюймов(159 мм) как с внутренней, так и наружной резьбы
Оставляйте заявки по телефону +7495 138 28 81, по эл. почте info@m5m7.ru или через систему сайта
Наши менеджеры ответят Вам в кратчайшие сроки
Мы предлагаем вам приобрести крепеж с дюймовой резьбой из нержавеющего металла и латуни. Высокоточное оборудование позволяет изготовить изделия до 6 дюймов(159 мм) как с внутренней, так и наружной резьбы
Оставляйте заявки по телефону +7495 138 28 81, по эл. почте info@m5m7.ru или через систему сайта
Наши менеджеры ответят Вам в кратчайшие сроки