Купить Болты с потайной головкой ГОСТ 17673-81 в компании МАКОТО ТЮНИНГ (495) 138-28-81
Каталог

Подробнее о товаре Болты с потайной головкой ГОСТ 17673-81

Рассчитать стоимость Болты с потайной головкой ГОСТ 17673-81

Похожие товары

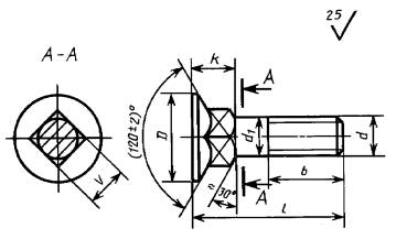
Болты с потайной  головкой ГОСТ 17673-81
0

Болты с потайной головкой ГОСТ 17673-81

По запросу
Класс прочности: 3.6, 4.6, 5.6
Класс точности С.

Крепежное изделие имеет увеличенную потайную головку и квадратный подголовок. Болт изготовлен из углеродистой стали с цинковым покрытием.

Вы можете заказать Болты по ГОСТ 17673-81 по телефону +7(495)138-28-81 или оставить заявку по эл.почте info@m5m7.ru



17673.png