Подробнее о товаре ГОСТ 18793-80 Пружины сжатия
Рассчитать стоимость ГОСТ 18793-80 Пружины сжатия
Похожие товары
Материал изготовления: сталь 20, 12Х18Н10Т
Покрытие: предусмотрены различные виды покрытия, такие как цинк, кадмий и другие
Покрытие: предусмотрены различные виды покрытия, такие как цинк, кадмий и другие
Пружина по ГОСТ 18793-80 прекрасно воспринимает продольно-осевые нагрузки, сжимающие саму пружину.
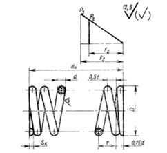
изделия отличаются по диаметру витков и сечению проволоки
Межвитковое расстояние или шаг пружины. Метрический показатель расстояния между витками вдоль оси изделия является постоянным. Крайние витки (левый и правый) подогнуты.
изделия отличаются по диаметру витков и сечению проволоки
Межвитковое расстояние или шаг пружины. Метрический показатель расстояния между витками вдоль оси изделия является постоянным. Крайние витки (левый и правый) подогнуты.
Звоните нам по многоканальному телефону 8 (495) 138-28-81
Присылайте свои заказы по электронной почте на адрес info@m5m7.ru
Наши эксперты решат ваши вопросы и задачи в короткие сроки.