X
Комплектуем
Детали машин
Крепежные изделия
Сварочные материалы
Специзделия
Спецстали
Детали трубопроводов
Производим
Нанесение покрытий
Работы
Сборочные работы
Сварочные работы
Сверлильные работы
Термообработка
Токарные работы
Фрезерные работы
Штамповочные работы
Строительство и проектирование зданий
О компании
Миссия и философия
Презентации
Вакансии
Наша команда
Контакты
Комплектуем
Детали машин
Крепежные изделия
Сварочные материалы
Специзделия
Спецстали
Детали трубопроводов
Производим
Нанесение покрытий
Работы
Сборочные работы
Сварочные работы
Сверлильные работы
Термообработка
Токарные работы
Фрезерные работы
Штамповочные работы
Строительство и проектирование зданий
info@m5m7.ru
8 (495) 138-28-81
info@m5m7.ru
8 (495) 138-28-81
Главная
/
Каталог
/
Детали трубопроводов
Полный каталог - Детали трубопроводов
Производим Детали трубопроводов
Сортировать по:
По алфавиту
Сначала популярные
По цене
По алфавиту
На странице:
12
12
24
36
Отводы стальные приварные - 45 и 90 градусов
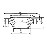
ГОСТ 28759.3 Фланцы для сосудов и аппаратов стальные приварные встык
Фланцы для сосудов и аппаратов ГОСТ 28759.2-90
Фланцы свободные на приварном кольце ГОСТ 12822-80
Фланцы стальные плоские приварные по ГОСТ 12820-80
ГОСТ 12821-80 Фланцы стальные приварные встык на Ру от 0,1 до 20,0 МПа (от 1 до 200 кгс/кв. см).
Фланцы судовых трубопроводов ГОСТ 1536-76
Крышки ГОСТ 13976-74
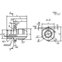
Проходники фланцевые ГОСТ 13960-74
Проходники ввертные ГОСТ 20194-74
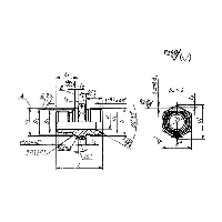
Переходники ГОСТ 20196-74 ввертные
Пробки ГОСТ 28941.25-91 глухие
Пробки ГОСТ 13973-74 для соединений трубопроводов по наружному конус
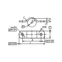
Скобы ГОСТ 24132-80
Тройники переходные ГОСТ 17376-2001
Опоры ОСТ 36 146 88 стальных технологических трубопроводов на Ру до 10 МПа
Опоры ГОСТ 14911-82
Проходники ГОСТ 20188-74 прямые герметизируемые для соединений трубопроводов по наружному конусу.
Переходники прямые ГОСТ 13961-74 для соединения трубопроводов по наружному конусу
Проходник ввертной ГОСТ 20195-74
ПроходникиГОСТ 16051-70 фланцевые
Проходники ГОСТ 16050-70 прямые удлиненные
Проходники прямые ГОСТ 16049-70
Проходники ввертные ГОСТ 16071-70
Проходники ввертные ГОСТ 16070-70
Переходники прямые гост 16052-70
Хомут односторонний ГОСТ 24139-80
Чаще всего ищут
Токарные работы
Детали трубопроводов
Детали машин
Станки ЧПУ
Спецстали
Термообработка
Спецстали
Сварочные работы
Сборочные работы
Заказать
обратный звонок
Имя
*
Это поле обязательно для заполнения
Email
*
Введён некорректный e-mail
Сообщение
Телефон
*
Это поле обязательно для заполнения
Прикрепить файл
Запрещено загружать файл данного типа
* Оставляя заявку вы соглашаетесь с
Условиями обработки персональных данных
Написать нам
Email
Введён некорректный e-mail
Телефон
*
Это поле обязательно для заполнения
Текст сообщения
Это поле обязательно для заполнения
Пройдите проверку:
*
Поле проверки на робота должно быть заполнено.
* Оставляя заявку вы соглашаетесь с
Условиями обработки персональных данных
Сделать заявку
Текст сообщения
Это поле обязательно для заполнения
Пройдите проверку:
*
Поле проверки на робота должно быть заполнено.
* Оставляя заявку вы соглашаетесь с
Условиями обработки персональных данных
Авторизация
Войти
Вспомнить пароль